본문 바로가기
주메뉴 바로가기
HOME
/
로그인
/
회원가입
/
CONTACT US
/
SITEMAP
주메뉴
회사소개
회사개요
회사연혁
조직도
글로벌 파트너
오시는 길
제품소개
Camera
Lens
Frame Grabber
Software
방송용 기자재
Illumination
Illumination TEST
자료실
다운로드
고객지원
뉴스레터
견적 및 제품문의
기술문의
공지사항
FAQ
원격지원
원격지원
제품소개
Camera
Lens
Frame Grabber
Software
방송용 기자재
Illumination
Illumination TEST
- LED LIGHTING
- LIGHT CONTROLLER
- Chromasens
>
제품소개
>
Illumination TEST
>
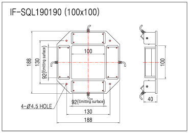
SQL SERIES
BROCHURE
본제품의 관련자료를 다운받으세요.
SQL SERIES_Ver1.0.dwg
SQL SERIES_PDF_Ver1.0.zip
VIEW LIST